Phụ tùng bơm màng? Các loại phụ tùng thường xuyên phải thay
Đăng bởi: Nguyen Thao 0 Bình luận
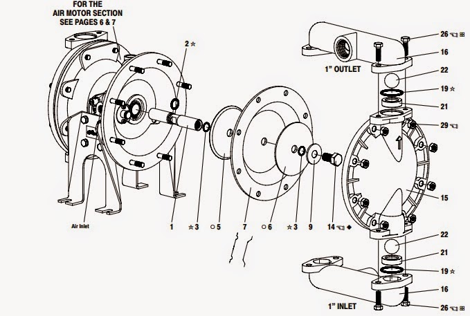
Bơm màng đang đóng vai trò ngày càng quan trọng trong nền sản xuất công nghiệp hiện nay, đặc biệt là các loại bơm màng khí nén. Với cấu trúc vận hành đơn giản, bộ bền cao, chất lượng ổn định và an toàn trong quá trình làm việc, bơm màng đang đóng góp một phần rất lớn vào hiệu quả hoạt động của doanh nghiệp. Một chiếc bơm màng gồm có rất nhiều phụ tùng, mỗi bộ phận đảm nhận có những tác dụng riêng, nhưng lại được ghép thành một khối thống nhất, làm việc linh hoạt. Sau này, Taishun xin giới thiệu các loại phụ tùng bơm màng và những loại phụ tùng thường xuyên phải thay thế nhất. Cấu tạo của bơm màng Ngày nay, khi mà các doanh nghiệp bắt đầu chú trọng nhiều hơn đến việc đầu tư vào các trang thiết bị, máy móc thay cho sức người,thì cũng là lúc người ta nhận ra được lợi ích mà nó đem lại có giá trị như thế nào. Và bơm màng cũng không phải là ngoại lệ, nó được sử dụng trong nhiều ngành nghề như: phun sơn ô tô, phun gỗ, vận chuyển chất lỏng tại các...[Đọc tiếp]
