Phụ tùng bơm màng? Các loại phụ tùng thường xuyên phải thay
Đăng bởi: Nguyen Thao 0 Bình luận
Bơm màng đang đóng vai trò ngày càng quan trọng trong nền sản xuất công nghiệp hiện nay, đặc biệt là các loại bơm màng khí nén. Với cấu trúc vận hành đơn giản, bộ bền cao, chất lượng ổn định và an toàn trong quá trình làm việc, bơm màng đang đóng góp một phần rất lớn vào hiệu quả hoạt động của doanh nghiệp.
Một chiếc bơm màng gồm có rất nhiều phụ tùng, mỗi bộ phận đảm nhận có những tác dụng riêng, nhưng lại được ghép thành một khối thống nhất, làm việc linh hoạt.
Sau này, Taishun xin giới thiệu các loại phụ tùng bơm màng và những loại phụ tùng thường xuyên phải thay thế nhất.
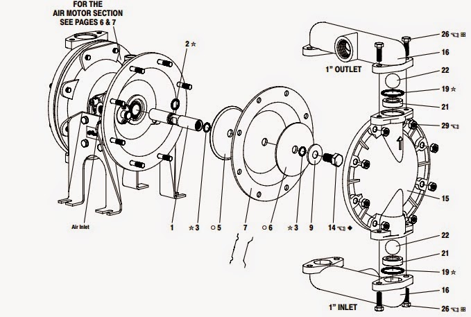
Cấu tạo của bơm màng
Ngày nay, khi mà các doanh nghiệp bắt đầu chú trọng nhiều hơn đến việc đầu tư vào các trang thiết bị, máy móc thay cho sức người,thì cũng là lúc người ta nhận ra được lợi ích mà nó đem lại có giá trị như thế nào.
Và bơm màng cũng không phải là ngoại lệ, nó được sử dụng trong nhiều ngành nghề như: phun sơn ô tô, phun gỗ, vận chuyển chất lỏng tại các công ty sản xuất sơn tường, mực in, thực phâm, nước giải khát,…
Tuy nhiên, để hiểu được bơm màng thì cần biết được chức năng của từng bộ phận bơm màng cũng như cách thức mà nó hoạt động
Phải nói chính xác lại một lần nữa. một chiếc bơm màng khí nén thì chắc chắn không thể nào chỉ có vài bộ phận, chi tiết mà là rất nhiều, tuy nhiên, chúng ta chỉ xét đến những bộ phận chính, quan trọng nhất để bơm có thể hoạt động tốt.

Có thể các thương hiệu sản xuất sẽ có cấu tạo riêng, những chi tiết tạo ra sự khác biệt, trở thành ưu thế hơn so với các đơn vị khác, tuy nhiên, nhìn chung, tất cả đều có những bộ phận chính sau:
- Thân bơm
Tất nhiên, nhắc đến các bộ phận chính thì không thể nào không nhắc đến thân bơm. Nó cũng như một khung xương cố định. Khung có chắc thì những bộ phận khác mới có thể phát huy tốt nhiệm vụ của nó khí sử dụng.
Thân bơm chứa 2 buồng khí 2 bên để lưu trữ sơn, dung dịc trước khi được đưa ra ngoài.
Với máy bơm màng thì thân bơm chính là vỏ, bao bọc bên ngoài những thành phần khác. Vỏ của bơm màng được làm từ nhiều vật liệu khác nhau: inox, nhôm hoặc làm bằng nhựa. Tất nhiên, việc chế tạo ra những chiếc bơm với chất liệu khác nhau đều có mục đích riêng.
Như chúng tôi đã nói ở trên, việc chọn chất liệu của bơm phụ thuộc vào dung dịch mà đơn vị sản xuất sử dụng.
- Thanh truyền: có 2 ống thanh truyền được gắn trên thân bơm, một thanh dưới và một thanh trên. Mỗi thanh được thiết kế có một cửa ống, cửa hút ở dưới và cửa đẩy ở trên. Khi hoạt động, cửa ở dưới có nhiệm vụ hút dung dịch từ bên ngoài vào, nằm trong buồng chứa, theo sự dao động của màng ngăn để đẩy dung dịch lên thanh truyền trên và đưa ra ngoài.
- Màng bơm
Có lẽ sau thân bơm thì màng bơm là bộ phận được chú ý nhiều nhất. Vai trò của nó không chỉ là bộ phận tiếp xúc trực tiếp với chất lỏng mà sự chuyển động của màng bơm còn tác động đến chu trình hoạt động liên tục, nằm trong nguyên lý hoạt động của bơm màng.
Nếu coi thân bơm là khung xương thì màng bơm có thể coi là trái tim của máy bơm sơn.
Màng bơm được chế tạo từ vật liệu có khả năng chống chịu hóa chất trong sơn hoặc dung môi, dung dịch bơm…có tính dẻo, đàn hồi để chịu được hoạt đông di chuyển qua lại liên tục khi hoạt động trong thời gian dài.
Thông thường, các đơn vị sản xuất đều chọn loại làm bằng Teflon vì nó có khả năng chịu mài mòn tốt nhất so với các chất liệu khác.
Chọn đúng chất liệu sẽ giúp tiết kiệm được rất nhiều chi phí vì hầu hết khi bơm màng bị hỏng thì chủ yếu là do màng bơm.
Khách hàng khi mua cũng nên cân nhắc về việc này.

- Bộ van khí
Van khí có nhiệm vụ phân phối khí nén cho bơm màng sang 2 bên của buồng khí để đẩy màng bơm hoạt động.
Như vậy, khách hàng đã nắm được sơ qua những bộ phận chính của một chiếc bơm màng để khi chọn bơm, khách hàng phải xác định được, nó ảnh hưởng đến chất lượng của sản phẩm.
Vấn đề tiếp theo mà chúng tôi muốn đề cập đến là ưu điểm của các loại bơm màng bằng khí nén trong việc sản xuất hiện nay.
>> Xem thêm về Cấu tạo của bơm màng
Tầm quan trọng của phụ tùng bơm màng mang tên màng bơm
Nếu đã hiểu được hay đã nắm sơ qua về nguyên lý hoạt động của bơm màng thì chắc sẽ biết được, bơm màng hoạt động được là nhờ sự dao động của màng bơm.
Khi khí nén đi vào buồng khí, đấy màng bơm dịch chuyển sang trái, phải lúc này cũng là lúc bơm tiến hành hoạt động hút và đẩy dung dịch ra bên ngoài.
>> Xem thêm nguyên lý hoạt động của bơm màng
Nói như vậy để mọi người có thể thấy được, tầm quan trọng của một đôi màng.
Không phải tự nhiên mà chúng tôi nhắc đến nó, vì đây được coi là bộ phận quan trọng nhất và cũng thường xuyên phải thay thế nhất.
Các sự cố mà bơm màng gặp phải có thể chia làm 2 trường hợp:
- Tắc, nghẽn do không vệ sinh
- Thay thế linh kiện, cụ thể là màng bơm bị rách.
Màng bơm bị rách thì có nhiều nguyên nhân:
- Mở đường khí cấp vào máy một cách đột ngột, khí vào bơm quá nhanh và mạnh nên làm màng bị thủng.
- Sử dụng loại màng kém chất lượng
- Chọn màng bơm không phù hợp với dung dịch đang sử dụng, các loại hóa chất có tính ăn mòn cao.
Mặc dù hiện nay, việc mau phụ tùng bơm màng không gặp quá nhiều khó khăn như trước kia vì độ phổ biến của nó, tuy nhiên, khi mua, khách hàng cũng nên lựa chọn thật cẩn thận.
Cung cấp phụ tùng bơm màng Anest Iwata và Prona
Taishun chuyên phân phối và cung cấp các thiết bị phun sơn, linh kiện phun sơn của thương hiệu nổi tiếng nhất hiện nay là Anest Iwata của Nhật Bản và thương hiệu Prona. Tất cả đều là hàng chính hãng, được nhập khẩu nguyên chiếc từ nhà sản xuất, có CO, CQ đầy đủ: bơm màng Đài Loan, bơm màng Nhật Bản
Giá cả phải chăng, được bảo hành theo đúng quy định từ nhà sản xuất, hỗ trợ chi phí vận chuyển.
Một điều đặc biệt là Taishun không chỉ là một nhà phân phối mà còn là đơn vị có khả năng sửa chữa bơm màng, thiết bị phun sơn, do vạy khi mua bơm màng, khách hàng có thể hoàn toàn yên tâm khi gặp phải sự cố.
Chuyên môn tốt, sản phẩm chất lượng, dịch vụ tư vấn khách hàng chu đáo và nhiệt tình với mong muốn màng đến những lợi ích cho khách hàng, chúng tôi biết điều gì là tốt nhất cho họ.
Chúng tôi cam kết, chỉ tính tiền dịch vụ khi sửa được sản phẩm cho khách hàng.
Với những trường hợp đặc biệt hóc búa, Taishun sẽ nhờ đến sự tư vấn trực tiếp từ những kỹ sư, chuyên gia được cử đi đào tạo tại chính Nhà sản xuất.
Tư vấn miễn phí cách sửa chữa qua điện thoại cũng là một trong những chính sách chỉ có duy nhất tại Taishun.
Hãy liên hệ với Taishun để nhận được những chính sách ưu đãi và giá cả cạnh tranh
Công ty TNHH Taishun Việt Nam
Số 1A, ngách 28, ngõ 105, Thanh Am, Thượng Thanh, Long Biên, Hà Nội
Số điện thoại: 024 3984 1505/ 024 3984 1508/ 024 3998 6588
Hotline: 09 7555 7666
Email: info@taishun.vn
Tags: bán bơm màng bình cấp keo bộ máy phun sơn bơm màng đôi bơm màng bơm màng nhật bản bơm màng bơm màng anest iwata bơm màng có cấu tạo như thế nào bơm màng đài loan bơm màng đài loàn bơm màng đài loan giá rẻ bơm màng đến từ đài loan bơm màng đôi bơm màng dùng trong công nghiệp bơm màng giá rẻ bơm màng hoạt động như thế nào bơm màng iwata bơm màng khí nén bơm màng khí nén đài loan giá rẻ bơm màng khí nén giá rẻ bơm màng khí nén tốt nhất bơm màng là gì bơm màng ngành mực in bơm màng nhật bơm màng nhật bản bơm màng phun men gốm sứ bơm màng prona bơm màng r-31 bơm màng sản xuất sơn tường bơm màng thực phẩm bơm màng tốt nhất bơm sơn bơm sơn màng các loại bơm màng các loại bơm màng đài loan cần mua bơm màng cần mua bơm màng khí nén giá rẻ catalogue bơm màng câu hỏi thường gặp khi sử dụng bơm màng câu hỏi thường gặp khi sử dụng bơm sơn cấu tạo bơm màng cấu tạo của bơm màng cấu tạo của bơm màng cây khuấy sơn chu trình hoạt động của bơm màng cung cấp bơm màng đầu nối dây dẫn hơi dây dẫn sơn dung tích nồi trộn sơn giá bơm màng Hướng dẫn sử dụng bơm màng khí nén Hướng dẫn sử dụng bơm Prona Hướng dẫn sử dụng bơm sơn Hướng dẫn vệ sinh bơm màng Anest Iwata Hướng dẫn vệ sinh bơm sơn kết hợp bơm sơn và súng phun sơn khắc phục sự cố thùng trộn sơn khi nào kết hợp bơm sơn và súng phun sơn kinh nghiệm mua bơm màng linh kiện bơm màng lưu ý khi kết hợp bơm sơn và súng phun sơn màng bơm màng bơm là gì màng bơm sơn màng ngăn máy bơm màng prona nguyên lý hoạt động của bơm màng nguyên tắc hoạt động của bơm màng nhà cung cấp nồi trộn sơn uy tín nhà phân phối bơm màng nhược điểm của bơm màng nồi trộn dung dịch nồi trộn sơn nồi trộn sơn 2 lít nồi trộn sơn 5 lít nồi trộn sơn đài loan nồi trộn sơn giá rẻ nồi trộn sơn gỗ nồi trộn sơn iwata nồi trộn sơn japan nồi trộn sơn mini nồi trộn sơn ngành gỗ nội thất nồi trộn sơn nhật bản nồi trộn sơn prona nồi trộn sơn pu nồi trộn sơn uy tín nồi trộn sơn uy tín iwata nồi trộn sơn uy tín prona nồi trộn sơn xịn phân phối bơm màng phân phối bơm màng khí nén phụ kiện bơm màng phụ tùng bơm màng sử dụng bơm màng sửa chữa bơm màng súng phun sơn súng phun sơn cầm tay thiết bị phun sơn thùng trộn sơn thùng trộn sơn phổ biến ưu điểm bơm màng ưu điểm cảu bơm màng ưu điểm của bơm màng ưu điểm của bơm màng khí nén ưu nhược điểm của bơm màng vệ sinh bơm màng vệ sinh súng phun sơn xì hơi ở nồi trộn

Viết bình luận của bạn: