
Bơm màng có cấu tạo như thế nào?Ưu điểm của bơm màng khí nén
Đăng bởi: Nguyen Thao 0 Bình luận
Sau khi đã tìm hiểu bơm màng là gì? Và nguyên lý hoạt động của các loại bơm màng khí nén, hôm nay, chúng tôi tiếp tục giới thiệu đến mọi người cấu tạo của bơm màng.
Có rất nhiều người đặt ra câu hỏi, bơm màng có cấu tạo như thế nào? Nó được được làm từ chất liệu gì, và so với các loại bơm màng khác thì loại sử dụng khí nén có tốt hơn không?, có mang lại hiệu quả hơn không.
Hy vọng, sau khi đọc xong bài viết này, khách hàng sẽ tìm được câu trả lời phù hợp với những băn khoăn của mình.
Cấu tạo của bơm màng có ảnh hưởng đến quá trình hoạt động sản xuất không?
Nếu hỏi cấu tạo của bơm màng có ảnh hưởng đến quá trình hoạt động không thì câu trả lời là có, thậm chí là rất quan trọng. Đây là một trong những tiêu chí quan trọng để lựa chọn loại thiết bị công nghiệp này. Chọn đúng công việc sẽ hiệu quả như mong muốn, nhưng tất nhiên, khi chọn sai loại bơm màng không những lãng phí tiền mà còn không mang lại kết quả trong công việc.
>> Các tiêu chí lựa chọn bơm màng phù hợp.
Đặc biệt là cấu tạo của máy bơm màng còn phải phụ thuộc vào dung dịch, chất lỏng mà đơn vị sản xuất sử dụng, không phải loại nào cũng có thể dùng cho dung môi, axit, các loại hóa chất ăn mòn…
Ví dụ, bơm màng được làm bằng nhôm chưa chắc đã chịu được các loại axit, nhưng nếu dùng bơm bằng inox thì lại có thể chịu được. Nhất là trong ngành thực phẩm, một ngành khá kén chọn vật liệu để làm ra bơm màng.
Đây mới chỉ là xét riêng về chất liệu, vậy còn những bộ phận để tạo ra bơm, bộ phận nào là quan trọng nhất?
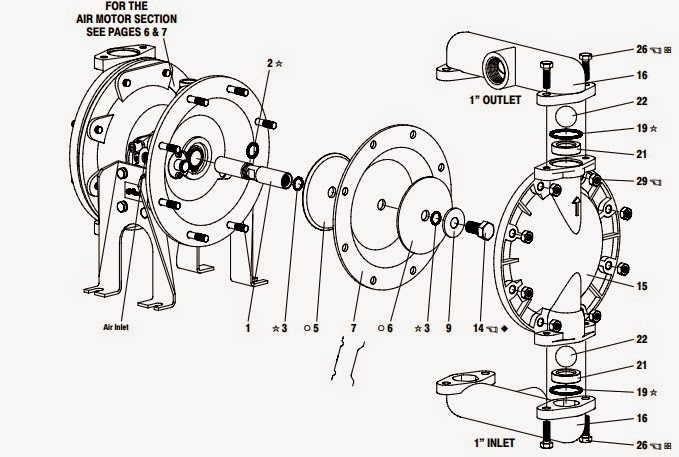
Các bộ phận chính cấu tạo nên máy bơm màng
Phải nói chính xác lại một lần nữa. một chiếc bơm màng khí nén thì chắc chắn không thể nào chỉ có vài bộ phận, chi tiết mà là rất nhiều, tuy nhiên, chúng ta chỉ xét đến những bộ phận chính, quan trọng nhất để bơm có thể hoạt động tốt.
Có thể các thương hiệu sản xuất sẽ có cấu tạo riêng, những chi tiết tạo ra sự khác biệt, trở thành ưu thế hơn so với các đơn vị khác, tuy nhiên, nhìn chung, tất cả đều có những bộ phận chính sau:
-
Thân bơm
Tất nhiên, nhắc đến các bộ phận chính thì không thể nào không nhắc đến thân bơm. Nó cũng như một khung xương cố định. Khung có chắc thì những bộ phận khác mới có thể phát huy tốt nhiệm vụ của nó khí sử dụng.
Thân bơm chứa 2 buồng khí 2 bên để lưu trữ sơn, dung dịch trước khi được đưa ra ngoài.
Với máy bơm màng thì thân bơm chính là vỏ, bao bọc bên ngoài những thành phần khác. Vỏ của bơm màng được làm từ nhiều vật liệu khác nhau: inox, nhôm hoặc làm bằng nhựa. Tất nhiên, việc chế tạo ra những chiếc bơm với chất liệu khác nhau đều có mục đích riêng.
Như chúng tôi đã nói ở trên, việc chọn chất liệu của bơm phụ thuộc vào dung dịch mà đơn vị sản xuất sử dụng.
-
Thanh truyền:
Có 2 ống thanh truyền được gắn trên thân bơm, một thanh dưới và một thanh trên. Mỗi thanh được thiết kế có một cửa ống, cửa hút ở dưới và cửa đẩy ở trên. Khi hoạt động, cửa ở dưới có nhiệm vụ hút dung dịch từ bên ngoài vào, nằm trong buồng chứa, theo sự dao động của màng ngăn để đẩy dung dịch lên thanh truyền trên và đưa ra ngoài.
-
Màng bơm
Có lẽ sau thân bơm thì màng bơm là bộ phận được chú ý nhiều nhất. Vai trò của nó không chỉ là bộ phận tiếp xúc trực tiếp với chất lỏng mà sự chuyển động của màng bơm còn tác động đến chu trình hoạt động liên tục, nằm trong nguyên lý hoạt động của bơm màng.
>> Nguyên lý hoạt động của bơm màng.
Nếu coi thân bơm là khung xương thì màng bơm có thể coi là trái tim của máy bơm sơn.
Màng bơm được chế tạo từ vật liệu có khả năng chống chịu hóa chất trong sơn hoặc dung môi, dung dịch bơm…có tính dẻo, đàn hồi để chịu được hoạt đông di chuyển qua lại liên tục khi hoạt động trong thời gian dài.
Thông thường, các đơn vị sản xuất đều chọn loại làm bằng Teflon vì nó có khả năng chịu mài mòn tốt nhất so với các chất liệu khác.
Chọn đúng chất liệu sẽ giúp tiết kiệm được rất nhiều chi phí vì hầu hết khi bơm màng bị hỏng thì chủ yếu là do màng bơm.
Khách hàng khi mua cũng nên cân nhắc về việc này.
-
Bộ van khí
Van khí có nhiệm vụ phân phối khí nén cho bơm màng sang 2 bên của buồng khí để đẩy màng bơm hoạt động.
Như vậy, khách hàng đã nắm được sơ qua những bộ phận chính của một chiếc bơm màng để khi chọn bơm, khách hàng phải xác định được, nó ảnh hưởng đến chất lượng của sản phẩm.
Vấn đề tiếp theo mà chúng tôi muốn đề cập đến là ưu điểm của các loại bơm màng bằng khí nén trong việc sản xuất hiện nay.
Ưu điểm của bơm màng khí nén- Bơm màng Đài Loan
Chúng tôi khuyên dùng bạn nên sử dụng những loại bơm màng bằng khí nén trong các công việc sản xuất công nghiệp bởi những lí do sau:
-
Chất lượng sản phẩm
Mọi khách hàng đều mong muốn sản phẩm của mình có chất lượng cao. Chất lượng cao đồng nghĩa với việc nó đảm bảo được yêu cầu của đơn vị sản xuất mà còn giúp họ tiết kiệm được rất nhiều chi phí về sửa chữa, bảo dưỡng hay thay thế linh kiện.
Do hoạt động bằng khí nén do vậy nó ít gặp phải vấn đề trục trặc hơn là những loại khác.
- Việc vệ sinh, bảo dưỡng sẽ đơn giản hơn rất nhiều nên dĩ nhiên tuổi thọ sản phẩm cũng kéo dài.
-
Độ an toàn
An toàn trong lao động sản xuất là một vấn đề mà các doanh nghiệp đều rất quan tâm, nhất là khi họ sử dụng những thiết bị công nghiệp, thường xuyên phải tiếp xúc với hóa chất có độ ăn mòn cao. Do vậy, thiết bị mà họ hướng đến là thân thiện với môi trường, độ an toàn cao, phòng chống cháy nổ, có khả năng chịu ăn mòn, mài mòn, chịu được các loại chất độc hại, nguy hiểm…
-
Vật liệu
Bơm màng có thể làm bằng nhiều vật liệu khác nhau để phù hợp với những công việc khác nhau và để người dùng có thể cân nhắc về vấn đề giá cả.
-
Phụ tùng thay thế
Do được sử dụng phụ biến nên cũng rất dễ để tìm kiếm các loại phụ tùng khi cần thiết, hầu hết các thành phần đều có sẵn trên thị trường.
-
Dùng được với dung dịch có độ nhớt cao
Cấu tạo của bơm màng có thể phù hợp với những chất có độ nhớt cao, các loại chất lỏng một cách nhẹ nhàng mà không tác động đến máy.
-
Độ linh hoạt
Bơm màng hết đều được thiết kế rất nhẹ và gọn, dễ di chuyển, linh hoạt trong quá trình sử dụng.
Tổng kết
Chúng tôi xin tóm tắt lại những nội dung chính trong bài như sau:
- Cấu tạo của bơm màng có ảnh hưởng quan trọng trong quá trình hoạt động của nó, mỗi bộ phận đều có chức năng riêng của nó.
- 4 bộ phận chính của một chiếc bơm màng là: Thân bơm, thanh truyền, màng bơm sơn, bộ van khí.
- So với những loại khác thì bơm màng khí nén có nhiều ưu điểm hơn, chất lượng sản phẩm tốt, độ bền cao, an toàn cho người lao động và tiết kiệm được chi phí sửa chữa cho doanh nghiệp.
Hy vọng, thông qua bài viết, mọi người có một cái nhìn rõ nét hơn về bơm màng, nếu có thắc mắc quy trình lắp đặt cũng như cách lặp đặt bơm màng để đạt hiệu quả cao, hãy liên hệ với Taishun để được tư vấn trực tiếp và miễn phí.
Công ty TNHH Taishun Việt Nam
Số 1A, ngách 28, ngõ 105, Phố Thanh Am, Thượng Thanh, Long Biên, Hà Nội
Số điện thoại: 024 3984 1505/ 024 3984 1508
Hotline: 0975557666
Email: info@taishun.vn
Người thực hiện: Taishun-T
Tags: bán bơm màng bình cấp keo bộ máy phun sơn bơm màng đôi bơm màng bơm màng nhật bản bơm màng bơm màng anest iwata bơm màng có cấu tạo như thế nào bơm màng đài loan bơm màng đài loàn bơm màng đài loan giá rẻ bơm màng đến từ đài loan bơm màng đôi bơm màng dùng trong công nghiệp bơm màng giá rẻ bơm màng hoạt động như thế nào bơm màng iwata bơm màng khí nén bơm màng khí nén đài loan giá rẻ bơm màng khí nén giá rẻ bơm màng khí nén tốt nhất bơm màng là gì bơm màng ngành mực in bơm màng nhật bơm màng nhật bản bơm màng phun men gốm sứ bơm màng prona bơm màng r-31 bơm màng sản xuất sơn tường bơm màng thực phẩm bơm màng tốt nhất bơm sơn bơm sơn màng các loại bơm màng các loại bơm màng đài loan cần mua bơm màng cần mua bơm màng khí nén giá rẻ catalogue bơm màng câu hỏi thường gặp khi sử dụng bơm màng câu hỏi thường gặp khi sử dụng bơm sơn cấu tạo bơm màng cấu tạo của bơm màng cấu tạo của bơm màng cây khuấy sơn chu trình hoạt động của bơm màng cung cấp bơm màng đầu nối dây dẫn hơi dây dẫn sơn dung tích nồi trộn sơn giá bơm màng Hướng dẫn sử dụng bơm màng khí nén Hướng dẫn sử dụng bơm Prona Hướng dẫn sử dụng bơm sơn Hướng dẫn vệ sinh bơm màng Anest Iwata Hướng dẫn vệ sinh bơm sơn kết hợp bơm sơn và súng phun sơn khắc phục sự cố thùng trộn sơn khi nào kết hợp bơm sơn và súng phun sơn kinh nghiệm mua bơm màng linh kiện bơm màng lưu ý khi kết hợp bơm sơn và súng phun sơn màng bơm màng bơm là gì màng bơm sơn màng ngăn máy bơm màng prona nguyên lý hoạt động của bơm màng nguyên tắc hoạt động của bơm màng nhà cung cấp nồi trộn sơn uy tín nhà phân phối bơm màng nhược điểm của bơm màng nồi trộn dung dịch nồi trộn sơn nồi trộn sơn 2 lít nồi trộn sơn 5 lít nồi trộn sơn đài loan nồi trộn sơn giá rẻ nồi trộn sơn gỗ nồi trộn sơn iwata nồi trộn sơn japan nồi trộn sơn mini nồi trộn sơn ngành gỗ nội thất nồi trộn sơn nhật bản nồi trộn sơn prona nồi trộn sơn pu nồi trộn sơn uy tín nồi trộn sơn uy tín iwata nồi trộn sơn uy tín prona nồi trộn sơn xịn phân phối bơm màng phân phối bơm màng khí nén phụ kiện bơm màng phụ tùng bơm màng sử dụng bơm màng sửa chữa bơm màng súng phun sơn súng phun sơn cầm tay thiết bị phun sơn thùng trộn sơn thùng trộn sơn phổ biến ưu điểm bơm màng ưu điểm cảu bơm màng ưu điểm của bơm màng ưu điểm của bơm màng khí nén ưu nhược điểm của bơm màng vệ sinh bơm màng vệ sinh súng phun sơn xì hơi ở nồi trộn
Viết bình luận của bạn: